
I don’t know how you members are feeling, but it just struck me that we have published on a bunch of complex subjects lately: pitching moments, easily driven hull forms, practicality of going all renewable for electrical generation, and a deep…really, really, deep…dive into a bent-anchor incident.
All really important stuff but harder to digest, although thankfully Colin’s always wonderful sea stories have lightened things up.
Anyway, time for a good old nuts-and-bolts gear article. The first of a bunch I will be writing about the cool stuff, and some not so cool, we have added to our J/109 since we bought her three years ago.
Let’s dig in:
Why It Matters
Two things that keep me awake at night are the thought of our boat filling with water and sinking when we are not aboard, and going below while underway and finding myself up to my ankles in water.
And, judging from what I hear, both happen a lot more often than you might think.
I personally know of at least five separate incidents where boats have sunk, or come close to sinking, at the mooring or wharf when unattended.
And how often have we heard of a crew member going below to find flooding already out of control and the source difficult or impossible to find and fix because of the amount of water that’s already in the boat?
The results are not fun, either. A friend of mine had his 40-foot boat fill to just a couple of feet above the cabin sole before he discovered and stopped it, and still it cost his insurance company over $100,000 to fix the mess.
Water, particularly salt water, is destructive stuff.
If ever there was a situation where an ounce of prevention beats a pound of cure, this is it.
Colin and I have already written some articles about keeping the wet stuff out in the first place, and pumping it out if it does get in, so now let’s take a look at making as sure as we can that our boats are not filling up with water when our backs are turned.
The early warning part.
What We Need To Do
And there are four pieces to that:
- Monitoring the bilge for the presence of water.
- Starting the bilge pump…duh.
- Alerting us if the flooding overwhelms the pump, wherever we are:
- Asleep
- On deck
- Not on the boat
- Alerting us if the pump runs more often than it should.
Phyllis and I have had the gear on our boats to accomplish numbers 1 and 2 and most of numbers 3 and 4 for over 30 years. And we were all-in-early on boat-monitoring systems to cover off numbers 3 and 4—now on our third system.
Let’s take a look:
Login to continue reading (scroll down). Paid membership required:
Hi John and all,
An important article. In my casual observation, most cruising boats (and crew) are poorly prepared for a flooding event.
The Ultra High Water Alarm does look like the ultimate (when are boat manufacturers going to include these as factory installs along with smoke detectors?).
My start down this road was before there were marine high-water alarms and I found household sump alarms from my local hardware store able to provide the same early warning (at a quite significant cost difference) and have used them for over 30 years.
A quality comparison is above me, but I have used these on Alchemy since I got her in ‘99. I have two, as there is a main bilge and an engine area bilge. Both take 9-volt batteries (and so are separate from the ship’s electrics), are free standing and are loud enough to hear in the cockpit with the motor running. The sound is not easily turned off (yank battery), which is a drawback.
I test mine once a month by dipping the sensor (on a 2-strand wire and so adjustable as to height) into a cup of water for a second or so. I have never had a failure,
Over the decadess, these alarms have warned me of a leaking fresh water hose (I was not offshore, but I still appreciated only losing a few gallons), failing rudder packing leaking at high speeds, and a pinhole in my gearbox oil cooler. Nothing catastrophic, but a good feeling that they worked so well. I would not like finding my feet wet.
Since the Ultra was introduced (and I have an Ultra bilge pump activator), I explored upgrading but never felt it was worth it given that my units were free-standing (no need for wiring) and checked all the boxes I wished checked.
For redundancy in this important area, my bilge pump is wired to activate a loud alarm whenever it goes on: I have a dry boat so I check whenever it sounds off.
For those interested, I wrote the Cruising Clun of America’s Safety at Sea piece on flooding: “Planning for and Dealing with a Sinking Ship”. It is available (along with many other excellent articles) on the internet, (Cruising Club of America>Safety and Seamanship>Articles>Featured Articles>scroll down, page 3).
My best, Dick Stevenson, s/v Alchemy
Hi Dick,
The use of basement flooding sensors is interesting. One thing I do wonder about is if the sensor’s exposed contacts are continually energized. I think the must be. While it’s hard to see how a galvanic circuit would set up, as a long term aluminium boat owner I have a visceral negative reaction to putting anything in the bilge with energized exposed contacts.
Hi John,
The sensor with its 2 metal nipples that when covered with water creates a connection to sound the alarm is energized, so I appreciate your concern in a metal boat.
In (my) practice, the sensor hangs high (well above the bilge pump activation level) and is a flooding alarm and therefore not near any bilge water in everyday life. My first early warning is the alarm signaling the bilge pump activation which, if it does not shut off within a short period, says something is awry.
But, even so, a sump pump alarm is probably not a wise option for a metal boat.
My best, Dick Stevenson, s/v Alchemy
“ when are boat manufacturers going to include these as factory installs along with smoke detectors?”
Having just been at the Annapolis boat show, the answer is when the first prospective buyer actually looks at the bilge pump setup rather than the color of the interior cushions, or the size of the hull windows.
In other words, never 😀
Hi Michael,
I fear you are right. The market gets what the market demands, generally no more.
Hi Michael,
Years ago, after an encounter at the Annapolis BS, I played with the idea of coming up with a list of questions such as: “This is a blue water boat, where do the lee cloths go?, Where is a straight bunk? (or to any boat) Where is a high-water alarm? Smoke detectors? Propane alarm? Handholds?, etc. etc.
The encounter annoyed me enough that I contemplating running off a couple hundred sheets of the questions and handing them out on the docks to prospective boat buyers to ask of the dealers and manufacturers.
Our commercial marine publications seem too timid to do articles such as “Basic safety equipment every boat should have installed before it leaves the factory” thereby showing their commitment is to the advertisers and not to their readers. (I will write to Practical Sailor and suggest such an article.)
I think most of us, with AAC,s help, work out reasonable after-market installs, but most times these are better done at the design stage and not cobbled into place later.
My best, Dick Stevenson, s/v Alchemy
My purchase of a 14 yr boat and sea trial in a calm to moderate seas following a refit passed checks. The ten day upwind passage in F5-6 turned out to be the real sea trial and it wasn’t until tacking that we realized the volume of water we had in the hull but not the keel due to the angle of heel for extended periods, due mostly to since repaired and replaced hatches.
Like Dick, I now use $10 washing machine flood detectors that are battery operated and have 1 meter wires to sensors. Cracked freshwater lines, leaking coolant, damaged hatches etc can be well under way and water accumulating in my hull while heeling while the bilge cycles under the cover of hull noise and me blissfully unaware. I jave also since added a cycle counter and love the idea of a second light at the instruments. My sensors are behind sofas at the waterline miships, engine tray, prop shaft thru-hull and high water in the bilge ad a backup. They serve as cheap sensors as I would never get around to hard wiring the same like in a commercial vessel.
Hi John
food for thought, indeed. Even more so to the owners of aluminium or steel boats, where badly installed electric bilge pumps and their associated wiring (that butt joint pic made me wince) may be causing major harm.
Kind regards
Colin
Hi Colin,
I agree on the butt joint. And distressingly common, I think.
Hi John
Nice article as usual. I’ve never used/seen the “Ultra Switches”, they seem very industrial. I do have a concern though, with all the little holes in the switch body, I would be worried that they could get clogged. In gebneral, I’m not crazy about switches with moving parts being that the bilge is never a very clean environment and may be exposed to sticking either on or off.
I’m curious as to your thoughts on electronic switches, I’ve used one know for >10 years and never had any issues with it. We have a very wet bilge due to the keel stepped mast and engine situated under the floorboards.
As for the cleanliness of the bilge, well I do my best but admit it’s not in my weekly routine and difficult to clean completely due to hidden residue which occasionally shows itself.
Thanks for the article
Hans
Hi Hans,
No, never had any problems with them sticking or clogging. I check them twice year, generally, and give them a wipe.
I don’t know much about electronic switches, so no opinion. Which one are you using? As I say in the article, I’m sure there are other good options for switches. As usual, I can’t tell anyone which the best is, just that I have had perfect service from these for 30 years.
John,
We’ve been using the WaterWitch brand of electronic bilge pump switches since about 2010 and have only had a problem if not cleaned on an annual basis using a rag (or more often if the bilge gets abnormally dirty). They have a feature whereby they won’t pump oil or fuel, which saved my bacon when I had “professionals” remove my injectors to be rebuilt and caused a leak in the fuel system. One bilge (catamaran) had over 10 gallons (not a typo) of diesel in it and none of it pumped overboard. I can only imagine what would have happened had a standard bilge pump switch been in play.
Here’s a picture of the setup in one of my two bilges. This was a factor setup using King Starboard. I just removed the old failed switch and installed the WaterWitch (orange box).
Hi Bruce,
That is indeed a nice feature. I guess the flip side is if dirt effects that much, so I think if it were me I would want an alarm at a higher point using an Ultra: best of both worlds.
Hi Hans,
I do have an Ultra switch for my bilge pumps for over 2 decades and never a problem and I do not remember them needing any special attention when cleaning.
If your bilge is dirty enough for that worry, I would be concerned about the pumps themselves getting clogged up or having their water output compromised, but not stopped altogether, by some gunk getting caught up in the pump’s intake area. It does not take much gunk to have output significantly decreased
I would probably suggest going after the “hidden residue” areas that you report feeds the bilges uncleanliness. It is my experience, that once a bilge is gotten really clean, it is pretty easy to keep that way and thereby protect the bilge pumps from having their efforts compromised.
My best, Dick Stevenson, s/v Alchemy
I’m interested so see what people are using for monitoring. Our boat has almost no electronics. Simplicity can be a good thing but being a weekend sailor the bilge monitoring was important to me. Considering that the boat came *without* any automatic switch on the bilge, we went with a pair of float switches and the blue guard panel with a counter and alarm. I wouldn’t say it’s “raise the dead” loud and I still need to add notification to the cockpit. Still, it’s a simple, quick and cheap implementation that I feel is enough for now.
When I get on the boat Friday evening, the first thing I’m looking for is that 0, then I peek under the floorboard to check for water and test the switch.
It’s the first time I hear about the ultra switch, I like the two level switches in one device but I love the small footprint. The deeper part of our bilge is ridiculously small.
Hi Mathieu,
I will dig into monitoring in the next part.
I too built my own bilge pump switch panel after a bad experience with the Rule panel. The mute switch for my alarm is protected by a red cover like the ones in the movies that cover the nuclear bomb activation switch. https://www.amazon.com/Heschen-Toggle-switch-positon-waterproof/dp/B07MDB56ZP/ref=asc_df_B07MDB56ZP/?tag=hyprod-20&linkCode=df0&hvadid=533377585108&hvpos=&hvnetw=g&hvrand=267320867146211398&hvpone=&hvptwo=&hvqmt=&hvdev=m&hvdvcmdl=&hvlocint=&hvlocphy=9013326&hvtargid=pla-741748230620&psc=1&mcid=3b54899bda5037f3a64802bc36e18cff# To silence the alarm I have to flick open the cover and toggle the switch. As long as the cover is down, the alarm is not silenced.
Hi William,
Great idea, thanks.
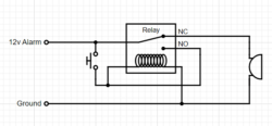
With a simple automotve relay mounted behind the panel next to the Alarm buzzer and silencing switch, you can silence the alarm by pushing the switch. It will will reset itself when the alarm signal goes away. This way you can’t forget to turn the alarm back on.
Schematic attached….
Hi Kevin,
That’s a great idea.
Hi John,
Great information on setting this up. I have run a lot of boats which were required to have indicator lights for bilge pumps and high water alarms and can attest to their value. 2 instances come to mind where they proved crucial in dealing with an issue. In 1 case we had a stuffing box blow apart on a 3″ shaft and we watched the bilge pump indicator light for a few seconds and then the high water alarm went off too and we knew we had something serious to fix fast. Thanks to this stuff I got in the engine room while the shaft was still above water, spotted the leak and had a towel on it quickly which basically stopped flow. In the other case, a hose failed from chafe and was underwater quickly so hard to find but it alerted us in time and we got the hydraulic 2″ trash pump going shortly before the engine starter went underwater and that gave us the time to close all seacocks and go leak hunting.
On the wiring, I have developed a somewhat unconventional hypothesis that using dielectric grease is more important than good heat shrink tubing on electrical connections. Even with Ancor brand heat shrink, it will eventually fail and trap moisture in. My own experience is that with dielectric grease I have had no failures and I worked on a boat with relatively old wiring, no heat shrink but dielectric on everything and nothing ever failed. The one trick with dielectric grease is that you have to be super neat if you are then going to use heat shrink or the heat shrink is guaranteed not to seal well if it is trying to seal to grease. I don’t know if someone has exhaustively studied this but it is what my limited observations suggest.
Eric
Hi Eric,
Good to have two examples of the importance of alarms, thanks.
On the grease, that’s interesting. I have never tried it, but sounds good. I have given any electrical stuff that could get water on it a squirt of Boeshield, which seems to work well and for years.
One advantage of the Ultra switches I cover in the linked post is that they come with long leads, so there is no need to make any joints in the bilge.
Hi Eric,
Yes, yours is a very good example of a drum I have been beating for a while on the priorities when responding to a flooding situation: find the leak. Finding the leak, particularly in 2 person boats, takes precedence over de-watering. And this argues for early warning and good automatic bilge pumps to give time to find the leak rather than manual pumps which are slow and tiring and take away half the manpower to find the leak at a time when speed is essential. And early warning is also critical as leaks can quickly become much harder to locate if they get obscured by being under water.
My best, Dick Stevenson, s/v Alchemy
Hi Eric and all,
I have skills in a number of areas, but, over the years, I have shown myself to be impressively inept in a wide array of ways at using heat shrink effectively: whether it is on the terminals or the slip over wire sort.
Another area of failure was the use of self-amalgamating tape. I was a sucker for those at boat shows (Atomic Tape is a memory) but, in my hands, they never worked the way they did in the demonstrations and I never had the amalgamating last very long.
A discovery of 3M Scotch 2228 Rubber Mastic Tape solved the above challenges. It stretches like crazy and has an adhesive on one side which facilitates its self-adhesive properties and essentially bonds the tape together when wrapped. The stretching and bonding ensures that even irregularities in the surface get completely covered.
For electrical connections, I make up the connection with Kopr Shield (or the like) on the wire and terminal before crimping, brush on some dielectric grease after and save myself the embarrassment of choosing the wrong diameter shrink wrap, over heating in cramped conditions with an awkward heat source, etc. by taking a few inches of tape and wrapping the connection. It has never leaked, never come apart, and I have used it on deck exposed to UV, rain and salt water without a problem.
It is expensive stuff but if used primarily for electrical needs, lasts a very long time (but it works so well as self-amalgamating tape, that it gets used in other areas).
My best, Dick Stevenson, s/v Alchemy
Hi Dick,
That is good to know about the tape. I generally don’t like using a torch aboard in tight spots and we don’t carry a heat gun on our personal boat so I often wait on the heat shrink until haulout when I will bring the heat gun but tape could easily be done right then.
I believe that the Kopr-Shield is a conductive grease and not a dielectric grease. Practical Sailor found that some conductive greases can actually increase corrosion in marine environments, I don’t know if this is one of them. Some people use waterprooof grease for general connections and dielectric grease for sensitive electronics like an RJ45 or USB connectors but I just use dielectric on everything so that I don’t have to have 2 types on the boat and at home. I don’t know if Drew Frye was directly involved in the Practical Sailor testing but he discusses the result on his site and in a few other places.
Eric
Hi Eric,
I am not on the boat (so no name of brand) and I was given a can (brush attached to cap) of this copper-colored paste 40 years ago by a marine electrician friend who swore by it. I use it in all terminal crimps (and still working away at the same can) and my sense is that it fills any air gaps that may be left and makes less likely salty air or water can migrate into the empty spaces. That it is conductive may help as well, but is likely not a big deal if the crimp was done correctly.
I hope the tape works out for you: yours is one of many reasons I have turned to tape pretty much exclusively: shrink wrap for me is best left on the workbench with lots of elbow room and tools ready-at-hand.
I will try to learn more about PS’s results with conductive grease, but I have not had that sort of trouble.
My best, Dick
E, I should have added, I use the copper paste before crimping brushing it on fanned out strands before putting them in the terminal. D
Hi Dick and Eric,
I’m participating in keeping this a bit on the side of the topic, but I find it interesting. I’ve used some tar like tape that might be the mentioned 3M product. I liked it a lot, but had forgotten it. I’ll get hold of some again.
Soldering terminals used to be toted as good, while I really don’t like that. If there is the slightest overload or contact issue, the terminal will get a bit warn, and the solder melt, which is a stupid failure modality. Thus, crimp terminals it is!
However, I’ve been thinking that after the crimp, I could put a slight bit of solder into the terminal, to seal it from moisture. I’ve only done it a couple of times, on big wires. It looks good. I make a point of not harming the insulation and not letting the solder draw further up the cable, which would make it stiff and risk vibration vulnerabilities.
What are the thought on this option?
Hi Stein,
My thinking on this one is that adding soldering to a crimp is simply not needed. Doing connections the way I do currently, I don’t believe that I have ever had any electrical contact failures and this represents a few decades now and includes more sensitive cables like LAN and USB. Prior to insisting on tinned wire, using good crimpers, using grease, etc., I did have failures, mainly from corrosion. Being a guy who has spent a lot of time on old wooden boats, a lot of my connections have been immersed. The reason that I have to make a connection nowadays is to change out a piece of equipment not repair a connection. I see John has made a comment with similar success with crimps.
There are definitely negatives to soldering as well. I suspect that the breakage concerns would still be there even when combined with a crimp but don’t know for sure. And the need to learn to solder, spend the time on it and carry the gear is not insignificant. Now that electronics are basically not field repairable, I no longer carry soldering gear aboard and am in no way sad about that, I have not fond memories of trying to solder back together the PCB on a radar as a fog bank was rolling in on us. I think that the last thing that I soldered for the boat was likely a coax cable and there I have even switched to the crimp terminals.
Eric
Hi Eric,
I agree, as an electronic tech I had to learn to solder well, but pretty much never use that skill these days and don’t miss it.
Hi All,
To add a data point to all of this:
In all my years of doing this—I did my first boat rewire 35 years ago and have done a bunch since—I have never had a high quality properly installed crimp fail on me.
And even when they have got wet, as long as the wire was good quality tinned and the crimps the same and properly shrunk with a heat gun, I have not had problems.
Therefore I suspect, although don’t know for sure, that most problems we see out there are due to the use of poor quality crips, un-tinned wire, or a cheap installation tool, often used carelessly.
Anyway, I have never used any of the supplemental stuff being discussed in this thread. Not saying any of that is a bad idea, I just wonder if any of it is really that necessary.
We have an Ultra switch down in the small deeper part of our bilge (B473) with a backup Rule float switch up higher and wired in parallel in case the Ultra fails to send a signal to the pump (which given Ultra’s quality construction I wouldn’t expect that to happen). in addition to the 12V high water alarm that was already installed, I added two water sensors from Govee (about $35 each). We have one in the bilge area and one back by the engine. Each device is battery operated and has a high pitch alarm loud enough to wake you and probably audible from the dock. A cool thing about the Govee is that if you have an internet connection on board, you can leave a receiver/transmitter plugged in to a 115V outlet and if either sensor goes off it will send an alert to your phone. Granted, you need internet and 115V – but, I find this a comfort when the boat is sitting at the dock and I’m traveling.
Hi Dave,
Sounds good, although. if it were me I would replace the Rule with another Ultra, but then I have a bit of a “tude” (as we say in Bermuda) toward Rule stuff.
Thanks, not seen those switches before and they look great. Just wish they made a 25A version so I did not need they relay!
After reading this article I’m thinking about replacing my Rule setup with the Ultra pump and switch. As usual in a boat, space considerations are an issue and I have contacted the company about more information on their products, specifically dimensions so I can be sure this will fit. I’m not hearing anything back after several attempts. Any suggestions? Maybe a dealer is the better way to go?
Hi Robert,
That’s unfortunate. Try giving them a call, I have found them generally responsive. I also found the dimensions here: https://www.tefgel.com/contain.php?param=pumpswitch_price
Hi John and all,
A thought on the bilge pump light. Why not use a latching relay and a the normally closed side of a ring LED switch? Feeding the relay from the pump wire (after bilge switch) would light the switch and keep it lit until the ring switch is pushed. Whenever the bilge pump runs whether through direct power or bilge switch the ring LED lights until there is no power and the switch is pressed. Just like a master caution switch in aircraft.
Just a thought but I came up with this idea after thinking that otherwise I would never know if the bilge pump ran through a cycle when not preset. I have breadboarded this and it works wonderfully. No need for additional connection in the bilge just take the input form the load side of the bilge pump run breaker which will see 12V if the pump motor is energized by the 24 hour activated bilge switch or by the direct wired breaker.
Hi Kurt,
Sounds like a clever solution, although the added complication is not required in the case of having a remote monitoring system, as we do, since that tells me on my phone when the bilge pump runs and it keeps track of how often too.
Still looking of your monitoring guidelines.
What I really like about the above suggestion is that if the bilge pump ever runs and then switches off the light remains lit wit negligible current draw until pressed. Even with a light at the helm you will know how long it takes your pump to empty your bilge (reset the float switch).
Hi John –
I’ve just picked up the parts to start installing our new Ultra SR switch and wake the dead alarm. It seems the remote monitoring is an important part of this system – any chance that will be the topic of an article soon?
Hi Jenni,
Sorry, I have not got back to that, but in the mean time I think the Siren is a good alternative: https://sirenmarine.com/products/siren-3-pro
I had a unit from them on the last boat.
On this boat we are using a Brnkl: https://www.brnkl.io
Hi John,
The link to Siren leads to another article than I assume you intended, the «Adventure 40 August non report».
Hi Stein,
Whoops. fixed now, thanks.
Hello John,
Just saw a new Bilge monitoring and alert system called Bilge IQ from yacht devices.
Thinking of installing one in parallel to the more rustic 9V battery powered system in your great article.
What is your opinion?
Thanks
Denis
Hi Denis,
Hard to know without testing one. That said, this seems like a lot of added complexity for what is a simple function that can be accomplished with switches that have been proven for decades and that can be used with most any remote monitoring system.
Hi John and Denis,
I also noticed the Digital Yachts “Bilge IQ”. It became the catergory winner and the overall winner of the Dame Awards, decided on the first day of METS. I talked to the developers at the stand. Nice and competent people. It can actually do a bit more than previous options.
https://digitalyacht.net/2025/11/14/digital-yacht-introduce-bilge-iq-at-mets-25-and-is-nominated-for-dame-design-award/
As I see it, the important points are:
– It registers the power consumption of the pump when running, and if it changes, you get an alert. This will give an early warning of imminent pump problems.
– It keeps a history of times the pump were running, that you can look back into, to see if there are changes. I’m not sure if i remember correctly, but I think they said you can set alarms on that too.
– It counts running hours, which is intended to track when service might be needed, or when it might be time to change a bilge filter. An alarm can be set for the number of hours you want.
– It is integrated into the Victron environment, via Cerbo GX or Ekrano GX. If it has an internet connection, you can look at the pump data via VRM, Victron Remote Monitoring, which is free to use.
– It’s also connected to NMEA 2000, so the data is available onboard, as well as directly via Bluetooth and WiFi to an app.
– It has two inputs for bilge sensors. Could be one for the pump and one for a high water alarm, or one for each hull of a cat, or whatever one might wish. I told them that my wish would be 6 inputs, which they listened to with interest. I don’t think that’ll be done this time around, if at all.
All cool and triggering to the nerd in me, of course. However, I do agree that it’s smart to consider if the extra options may add vulnerabilities. There’s no doubt that added electronics are vulnerable and that there are more points of failure. Anti KISS principle. The question is if these vulnerabilities influence anything else than itself. Does it interfere with any other functions? I don’t actually think so. I don’t think it’s in the line of command of anything else. Just a side system.
If this is correct, I do indeed think some of this is really useful and can remove some worries. If the pumps have a problem, this system will certainly increase the probability of us detecting it far earlier. If the system fails, we’d most likely also detect that pretty quickly.
The question is: If the electronics are toast, will that disable the pump sensors? I didn’t remember to ask that question, but it’s possible. We could of course just have another old type sensor in parallel, bypassing the electronics, a wee bit higher in the bilge, and we’re back to exactly what we’d have anyway.
If I remember correctly, “Bilge IQ” will be available from early 2026, and I think the estimated retail price was somewhere around 300 Euros. I’m in contact with them and might buy one or two. (Catamaran).
Hi Stein,
Thanks for a very clear analysis on that. I guess the feature I like the best is measuring pump current. On the other hand, as you say, is it worth adding all this complication? Might be, but I always worry about unintended consequences when we replace a simple switch system with something full of software.